概述
JX-21B信号继电器应用于直流操作保护线路中,作为信号指示器用。继电器由电流或电压动作,灯光信号,磁保持,手复归或电复归。可靠性好,可替代原有的DX-11、DX-11A系列、DX-8、DX-8G系列,DXM-2A系列,DX-30系列等电磁型信号继电器。JX-21B采用导轨安装结构,具有接线方便、多个拼接、整定精度高、动作准确等特点。
JX-21B型号及其含义
JX-21B工作原理

JX-21B信号继电器由光电耦合和电阻等器件组成采样检测回路。当被测信号到达一定值时,光耦开通,开通信号经一个运算放大器放大,推动后级出口回路,使出口继电器动作。并由自保持回路进行自保持,在启动回路信号消失后继电器依然处于动作状态,只有在按下复归按钮或在复归端施加复归电压后,继电器方可返回。
JX-21B主要特点
■动作速度快,克服了原电磁式继电器不能指示真空开关快速动作信号的缺陷。
■既具有就地复归方式,又具有远方复归方式,可实现远程控制。
■JX-21B的复归方式有通电与断电两种,以便用户灵活选择。
■既有电保持,又有磁保持,信号记忆可靠,带有多组动合触点,既可接入LED光字牌或白炽灯光字牌,也能满足远传要求。
■电流启动型启动电流通用范围宽(0.01~2A),极大地便于用户选型和压缩库存。
■可导轨安装也可面板开孔安装。
JX-21B启动类型及额定值
| 型号 |
启动类型 |
启动值 |
可替代型号 |
| JX-11 |
电压型 |
DC48V、DC110V、DC220V |
DX11、DX11A |
| JX-12 |
电流型 |
0.01A~2A |
DX11、DX11A |
| JX-21 |
电压型 |
DC48V、DC110V、DC220V |
DX8 |
| JX-22 |
电流型 |
0.01A~2A |
DX8 |
| JX-31 |
电压型 |
DC48V、DC110V、DC220V |
DX31A、DX31B |
| JX-32 |
电流型 |
0.01A~2A |
DX31A、DX31B |
| JX-21A |
电压型 |
DC48V、DC110V、DC220V |
DX8 |
| JX-21B |
电压型 |
DC48V、DC110V、DC220V |
DX8 |
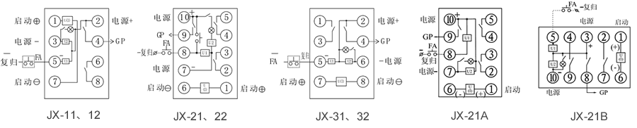
接线图
JX-21B技术参数
| 额定参数 |
| 电压型启动值 |
DC48V、110V、220V可选 |
| 电流型启动值 |
0.01A~2A |
| 功耗 |
≤5W |
| 绝缘性能 |
| 绝缘电阻 |
继电器外壳与外露带电端子之间用开路电压500V的兆欧表测量,绝缘电阻不小于10MΩ |
| 绝缘耐压 |
继电器外壳与外露带电端子之间能耐受2KV(有效值)50Hz试验电压,历时1分钟,无击穿或闪络现象 |
| 环境条件 |
| 环境温度 |
-15℃~55℃ |
| 工作电压 |
不大于120%额定电压 |
| 工作位置 |
任意 |
| 周围磁场强度 |
小于0.5mT |
| 环境相对湿度 |
不大于90% |
| 大气压力 |
80~110KPa |
| 温度 |
-25℃~+70℃ |
| 海拔高度 |
不大于2500 米 |
主要特点
导轨安装结构
嵌入式面板安装结构