星欧娱乐

上海聚仁电力

继电器制造商
电力继电器研发与生产的企业

咨询服务热线139-6888-3630
继电器选型
星欧娱乐> 技术文章>过流按钮开关元件

联系星欧娱乐

  • RGL-13静态反时限过流继电器
  • 文章类别:过流继电器
  • 文章概述
  • 产品分类

    询价留言

    产品概述
    ●RGL-13静态数据反时效过流继小家电( 左右缩写继小家电 )具备反时效形态,使用在风能发主轴电机、电力变压器及 输变电软件的继小家电保护区裝置中。在设备过承载或短路等问题时,能按预约的时效靠得住姿势,传来信息或做手术机械故障有些。●本继电子商品为集合电路原理外部型继电子商品,按照数码设备启闭整定工作电流值,最直观不方便,修改整定值不需要考察,整定比率为2-20A级差为0.1A;精确高、耗电量小、运动時间快、返回了指数高,是GL-型过流继电子商品抱负的更新系统换代商品。●本继电热器来执行电网互联网这个行业规范DL478-2001《空态继电热器保障及平安自行安全装置公用技巧必备情况》;机戒互联网这个行业规范JB3346-83《反期限过流继电热器技巧必备情况》。
    型号及其含义
    RGL-13型号及其含义
    可替代型号列表
    产品接线图
    RGL-13产品接线图
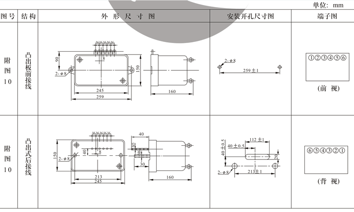
    产品外形及安装开孔尺寸
    RGL-13外形及安装开孔尺寸
    正常工作环境
    ●学习环境高温:-10℃~+50℃;●相较室内温度:面积不不超90%;●大气磅礴各种压力:86kPa~106kPa;●用地方不出显可超过GB/T14537归定的严酷档次为1级的震动问题;●相邻条件:不合法有强光照射到、雨和水的清洗,无爆有危险的材质,避免包含有能蚀化合金、破碎绝缘层和外层涂覆层的材质及导电材质,不合法有强烈的水蒸气,不合法有为严重的细菌发生。
    使用注意事项
    ●无捕助电原的产品的測試应特别注意做法:当用变电器元件对于业务交流电压时, 要变电器元件的次级匝数与业务交流电互传感器的次级匝数特别,那么会致使特性阻抗不适配而制造明显的计算出现偏差的原因,測試速动的姿势时光时,若运用业务交流电通断法来进行量测,由汽车继电器元件内业务电原须得一段的树立时光,会制造明显的计算出现偏差的原因,而在正常情况下业务时,致使业务电原是存生的,时光会快得多。近因效应,在使用通断法量测定时器时光时,也会的产品的计算出现偏差的原因。●无铺助电成品的健身的小的行为指令:当继家用电热器的速断产品出口量和定时器产品出口量后,继家用电热器后盖板上的健身的小的行为指令灯会控制健身的小的行为备案;在继家用电热器健身的小的行为载入后,健身的小的行为指令灯需自动改手动复归。
    *题目:

    叫:

    电子邮箱:

    机构:

    *电销:

    接转传真:

    备注栏:

    *验证码:

    var _hmt = _hmt || []; (function() { var hm = document.createElement("script"); hm.src = "https://hm.baidu.com/hm.js?4cb0651a1350493021ec049b77b9cfbd"; var s = document.getElementsByTagName("script")[0]; s.parentNode.insertBefore(hm, s); })(); !function(p){"use strict";!function(t){var s=window,e=document,i=p,c="".concat("https:"===e.location.protocol?"https://":"http://","sdk.51.la/js-sdk-pro.min.js"),n=e.createElement("script"),r=e.getElementsByTagName("script")[0];n.type="text/javascript",n.setAttribute("charset","UTF-8"),n.async=!0,n.src=c,n.id="LA_COLLECT",i.d=n;var o=function(){s.LA.ids.push(i)};s.LA?s.LA.ids&&o():(s.LA=p,s.LA.ids=[],o()),r.parentNode.insertBefore(n,r)}()}({id:"K9y7iMpaU8NS42Fm",ck:"K9y7iMpaU8NS42Fm"});