


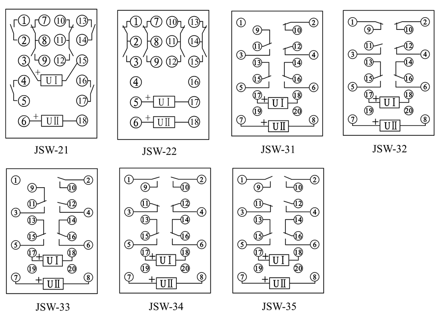
| 型号 | 触点形式 | 额定电压 |
| JSW-21 | 4常开2转换 | DC:48V、110V、220V |
| JSW-22 | 4转换 | DC:48V、110V、220V |
| JSW-31 | 2常开3转换 | DC:48V、110V、220V |
| JSW-32 | 1常开3常闭2转换 | DC:48V、110V、220V |
| JSW-33 | 2常开3转换 | DC:48V、110V、220V |
| JSW-34 | 2常开2常闭2转换 | DC:48V、110V、220V |
| JSW-35 | 3常开1常闭2转换 | DC:48V、110V、220V |







联系电话
微信扫一扫
