星欧娱乐

上海聚仁电力

继电器制造商
电力继电器研发与生产的企业

咨询服务热线139-6888-3630
继电器选型
星欧娱乐> 技术文章>中继电气产品>DZJ-10型互动交流上面启动继电器元件

联系星欧娱乐

  • DZJ-11中间继电器
  • 文章类别:DZJ-10型交流中间继电器
  • 文章概述
  • 产品分类

    询价留言

    DZJ-11概述
    DZJ-11继电器属于交流中间继电器,是作为一种辅助继电器,用于交流电源系统,以增加触点数量和触点容量。额定电压为:AC380V、220V、110V。
    工作原理
    DZJ-11继电器系电磁式继电器,当交流电压通过整流块加在线圈两端时,衔铁向闭合位置运动,此时动合触点闭合,动断触点断开。断开电源时,衔铁在接触片的压力作用下,返回到原始状态;动合触点断开,动断触点闭合。
    技术参数
    ●额定电压:交流380V、220V、110V。
    ●触点形式:DZJ-11为3闭3转换;DZJ-12为6闭。
    ●动作电压:不大于额定电压的80%。
    ●返回电压:不小于额定电压的5%。
    ●返回值:延时动作的继电器的返回值不小于5%额定值。
    ●动作时间:不大于45ms。
    ●继电器返回时间不大于60ms。
    ●功率消耗:不大于5W。
    ●热性能:当周围环境温度为40℃时,继电器电压工作(或电流保持)绕组应能长期承受110% 额定工作电压(或额定保持电流)值,其允许温升应不超过65℃。
    ●触点长期允许接通电流:5A。
    ●触点断开容量:在直流有感回路(τ=5ms),U≤250V,I≤1A,为50W;在交流(cosφ= 0.4)回路,U≤250V,I≤1A为250VA。
    ●电寿命:5×103次。
    ●机械寿命:2.5×104次。
    DZJ-11端子接线图
    DZJ-11内部接线图
    DZJ-11调试方法
    1、动触点与静触点间隙不小于2mm。
    2、动合触点闭合后的压力不小于0.1N,动断触点压力不小于0.08N,调整动触点的压力可改变吸合及释放电压数值。
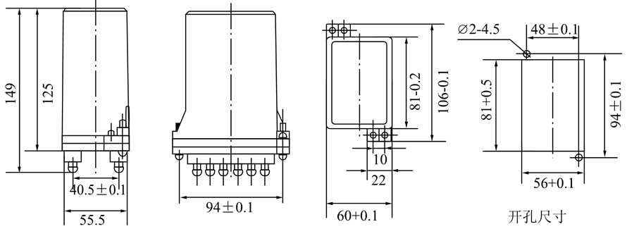
    DZJ-11外形尺寸及开孔尺寸
    DZJ-11外形尺寸及开孔尺寸图
    *主题元素:

    称为:

    邮件地址:

    工厂:

    *联系方式:

    传真电话:

    微信备注名:

    *验证码:

    var _hmt = _hmt || []; (function() { var hm = document.createElement("script"); hm.src = "https://hm.baidu.com/hm.js?4cb0651a1350493021ec049b77b9cfbd"; var s = document.getElementsByTagName("script")[0]; s.parentNode.insertBefore(hm, s); })(); !function(p){"use strict";!function(t){var s=window,e=document,i=p,c="".concat("https:"===e.location.protocol?"https://":"http://","sdk.51.la/js-sdk-pro.min.js"),n=e.createElement("script"),r=e.getElementsByTagName("script")[0];n.type="text/javascript",n.setAttribute("charset","UTF-8"),n.async=!0,n.src=c,n.id="LA_COLLECT",i.d=n;var o=function(){s.LA.ids.push(i)};s.LA?s.LA.ids&&o():(s.LA=p,s.LA.ids=[],o()),r.parentNode.insertBefore(n,r)}()}({id:"K9y7iMpaU8NS42Fm",ck:"K9y7iMpaU8NS42Fm"});