









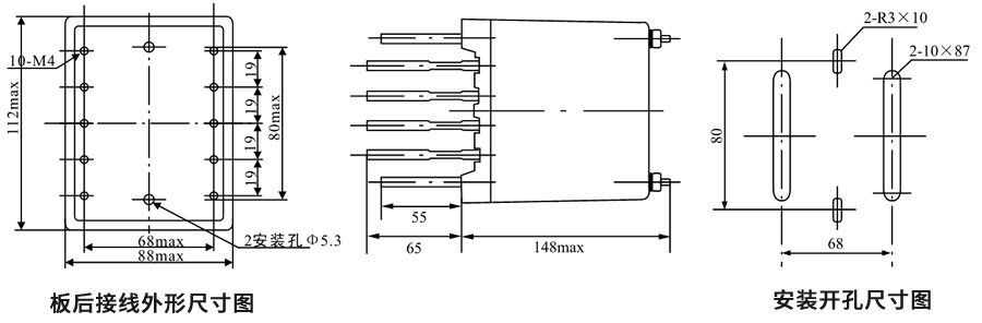
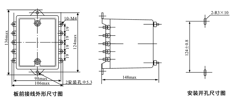
●触点形式:DZ-15中间继电器具有两付动合和两付动断触点,DZ-16型中间继电器具有三付动合和一付动断触点,DZ-17型中间继电器具有四付动合触点。
●额定电压:直流2V、48V、110V、220V。
●动作值:不大于70%额定电压值。
●返回值:不小于额定值的5%。
●动作时间:在额定值下不大于45ms。
●返回时间:当输入激励量由额定值降至零时,继电器的返回时间不大于60ms。
●功率消耗:不大于7W。
●触点容量:在电压不超过250V,电流不超过5A,时间常数为5±0.75ms的直流有感负荷电路中,输出触点的断开容量为50W。
●输出触点长期允许接通电流为5A。
●介质强度:产品各导电端子连在一起,对外露的非带电金属部分或外壳之间,能承受2000V(有效值)50Hz的交流电压历时1分钟试验而无绝缘击穿或闪络现象。


